Installation and connection
Installation procedure
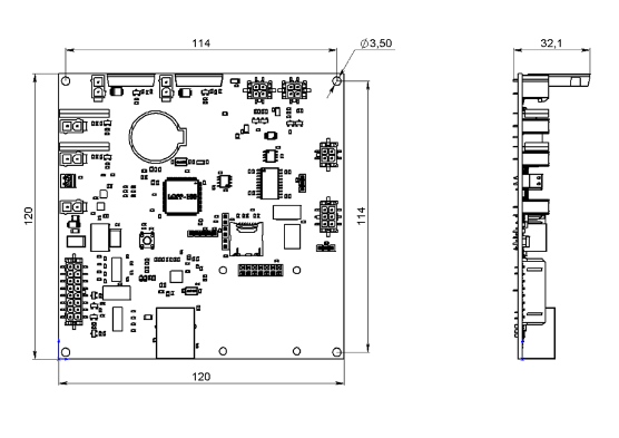
Overall and mounting dimensions of the BMS Main 2.1 are shown below.

| Parameter | Value |
| Overall dimensions (length × width × height), mm | 120 × 120 × 32 |
| Mounting dimensions (length × width), mm | 114 × 114 |
| Mounting holes | M3 |
| Connectors type | Molex MiniFit (P1, P6) |
Connection procedure
The mounting area of the BMS Main 2.1 must be protected from mechanical particles (dust, dirt, large objects) and water. The installation site must provide convenient access for subsequent connection to the device’s headers.
- Connect the charging and discharging contactors to the P6-P9 headers.
- Connect a current sensor to the P12 header according to its documentation. The positive current direction (indicated by an arrow on the sensor) corresponds to the battery charging. It is recommended to use a shielded cable to connect the current sensor, the shield should be grounded on the side of the current sensor. The cable should be positioned as far as possible from the high current circuits. If the current sensor has a reference voltage line, connect it to pin 4 of the P12 header.
- Connect the BMS Main 2.1 to the on-board CAN network. Observe the rules for connecting CAN devices. If the BMS Main 2.1 is the last device on a bus, close pins 1-2 on the P21 jumper, otherwise leave the jumper on pins 2-3.
- Connect a power supply to the P1 header. It is not recommended to power the BMS Main 2.1 from the battery only, since at a critical discharge of the battery, it is not possible to turn on the BMS and close the charging contactor.
Headers description
The BMS Main 2.1 headers are shown in figure below.

P1 – header for power supply
![]()
| Pin | Name | Description |
| 1 | GND | Ground |
| 2 | V+ | Supply voltage 9-30V |
P15 – header for BMS Logic

| Pin | Name | Description |
| 1 | RS485_A | RS-485 line A for communication with BMS Logic |
| 2 | RS485_B | RS-485 line B for communication with BMS Logic |
| 3 | +5V | Supply voltage for BMS Logic |
| 4 | GND | Ground |
P12 – header for current sensor

| Pin | Name | Description |
| 1 | +5V | Supply voltage for the current sensor 5V, max 50 mA |
| 2 | GND | Ground |
| 3 | Vcs | ADC input (current sensor output) |
| 4 | Vref | ADC input (current sensor reference signal) |
P13 – header for humidity sensor

| Pin | Name | Description |
| 1 | +5V | Supply voltage 5 V, max 50 mA |
| 2 | GND | Ground |
| 3 | Vhs | ADC input (humidity sensor output) |
| 4 | Vts | ADC input (temperature sensor output) |
P8 – header of relay 1
![]()
By default, relay 1 is used to control the discharging contactor.
| Pin | Name | Description |
| 1 | V+ | Switching voltage (up to 55V, max 2A) |
| 2 | NO | Normally open contact |
P9 – header of relay 2
![]()
By default, relay 2 is used to output the “Allow charging” signal.
| Pin | Name | Description |
| 1 | V+ | Switching voltage (up to 55V, max 2A) |
| 2 | NO | Normally open contact |
P6 – header of relay 3
![]()
By default, relay 3 is used to control the charging contactor.
| Pin | Name | Description |
| 1 | V+ | Switching voltage (up to 55V, max 8A) |
| 2 | NO | Normally open contact |
P7 – header of relay 4
![]()
By default, relay 4 is used to control the heater.
| Pin | Name | Description |
| 1 | V+ | Switching voltage (up to 55V, max 8A) |
| 2 | NO | Normally open contact |
P14 – header for CAN and RS-485 interfaces

| Pin | Name | Description |
| 1 | EXT_RS485_A | RS-485 line A for communication with external equipment |
| 2 | CAN_H | CAN H line for communication with external equipment |
| 3 | +5V_CAN | Supply voltage 5V for external devices, max 200 mA |
| 4 | EXT_RS485_B | RS-485 line B for communication with external equipment |
| 5 | CAN_L | CAN L line for communication with external equipment |
| 6 | GND_CAN | Ground |
P21 – CAN termination resistor jumper

To connect the termination resistor between the lines CAN_H and CAN_L, install a jumper, according to the P21 pinout:
| Pin | Name | Description |
| 1-2 | 120 Ohm | Termination resistor 120 Ohm is connected |
| 2-3 | - | Termination resistor 120 Ohm is not connected |
P22 - RS-485 termination resistor jumper

To connect the termination resistor between the EXT_RS485_A and EXT_RS485_B lines, install a jumper according to the P22 pinout:
| Pin | Name | Description |
| 1-2 | 120 Ohm | Terminating resistor 120 Ohm is connected |
| 2-3 | - | Terminating resistor 120 Ohm is not connected |
P11 – header for discrete inputs/outputs

| Pin | Name | Description |
| 16 | IN_1 | Discrete input #1 “dry contact” (+5V) |
| 8 | GND_1 | Discrete input #1 “dry contact” (ground) |
| 15 | IN_2 | Discrete input #2 “dry contact” (+5V) |
| 7 | GND_2 | Discrete input #2 “dry contact” (ground) |
| 14 | IN_3 | Discrete input #3 “dry contact” (+5V) |
| 6 | GND_3 | Discrete input #3 “dry contact” (ground) |
| 13 | IN_4 | Discrete input #4 “dry contact” (+5V) |
| 5 | GND_4 | Discrete input #4 “dry contact” (ground) |
| 12 | OUT_4 | Discrete output #4 (+5V, 20mA) |
| 4 | GND_OUT_4 | Discrete output #4 (ground) |
| 11 | OUT_3 | Discrete output #3 (+5V, 20mA) |
| 3 | GND_OUT_3 | Discrete output #3 (ground) |
| 10 | OUT_2 | Discrete output #2 (+5V, 20mA) |
| 2 | GND_OUT_2 | Discrete output #2 (ground) |
| 9 | OUT_1 | Discrete output #1 (+5V, 20mA) |
| 1 | GND_OUT_1 | Discrete output #1 (ground) |
Indicators
DS1 – power indicator
| State | Description |
| Lights red | The device is powered |
| Off | The device is not powered |
DS2 – operation indicator
| State | Description |
| Blinking green | The BMS firmware is running |
| Off | The BMS firmware is not running |
DS3 – communication indicator
| State | Description |
| Blinking yellow (2Hz) | Initializing communication with BMS Logic boards |
| Blinking yellow (25Hz) | Communication with BMS Logic is established |
DS4 – error indicator
| (State | Description |
| (Blinking red | Errors in communication with BMS Logic |
DS7 – relay 1 indicator
| State | Description |
| Lights green | Relay #1 is closed |
| Off | Relay #1 is opened |
DS8 – relay 2 indicator
| State | Description |
| Lights green | Relay #2 is closed |
| Off | Relay #2 is opened |
DS5 – relay 3 indicator
| State | Description |
| Lights green | Relay #3 is closed |
| Off | Relay #3 is opened |
DS6 – relay 4 indicator
| State | Description |
| Lights green | Relay #4 is closed |
| Off | Relay #4 is opened |