Skip to Content
Home Logo of the wiki
  • Log-in
    • XWikiGuest

    • Docs
    • Page Index
    • User Index

    • Global
    • Languages
      • English
      • Русский
    • What's New

The available versions of attachment '1732198397369-222.png' are:

VersionSize AuthorDate
1732198397369-222.png 1.1 83244 Admin 2024/11/21 14:13

Applications

  • File Manager

Navigation

Table of Contents

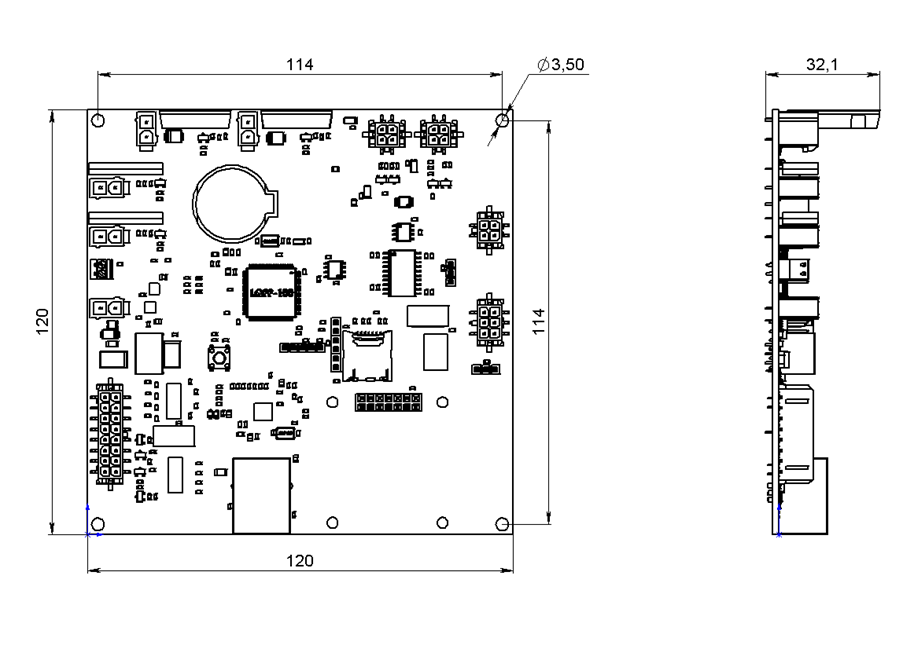
  • 2 Installation and connection
    • 2.1 Safety rules
    • 2.2 Installation procedure
    • 2.3 Connection procedure
    • 2.4 ​​​​Headers description
      • 2.4.1 P1 – header for power supply
      • 2.4.2 P15 – header for BMS Logic
      • 2.4.3 P12 – header for current sensor
      • 2.4.4 P13 – header for humidity sensor
      • 2.4.5 P8 – header of relay 1
      • 2.4.6 P9 – header of relay 2
      • 2.4.7 P6 – header of relay 3
      • 2.4.8 P7 – header of relay 4
      • 2.4.9 P14 – header for CAN and RS-485 interfaces
      • 2.4.10 P21 – CAN termination resistor jumper
      • 2.4.11 P22 - RS-485 termination resistor jumper
      • 2.4.12 P11 – header for discrete inputs/outputs
    • 2.5 Indicators
      • 2.5.1 DS1 – power indicator
      • 2.5.2 DS2 – operation indicator
      • 2.5.3 DS3 – communication indicator
      • 2.5.4 DS4 – error indicator
      • 2.5.5 DS7 – relay 1 indicator
      • 2.5.6 DS8 – relay 2 indicator
      • 2.5.7 DS5 – relay 3 indicator
      • 2.5.8 DS6 – relay 4 indicator
© 2024-2026, Movicom Electric